Perforated Metal Styles
- Stainless Steel Staggered Sheet in Coil
- Diamond Hole Perforated Metal Panels
- Embossed Sheet Metal
- Slotted Hole Perforated Sheet
- Perforated Noise Barrier Panels
- Punched Slotted Tubes
- Perforated Acoustic Screen Panels
- Perforated Metal Sunshade Screen
- Perforated Metal Disc Filters
- Perforated Ceiling Panels
- Perforated Diffusers
- Perforated Ducting
- Perforated Louvers
- Checker Plate
- Round Hole Perforated Sheet
- Square Hole Perforated Sheet
- Semi-Circular Hole Metal Sheet
- Triangle Opening Metal Sheet
- Decorative Opening Metal Sheet
Perforated Materials:
- Perforated Sheet in Aluminum Powder Coated Black
- Perforated Metal Plates for Tubes
- Perforated Stainless Steel
- SUS 304 Punched Plate
- Aluminum Perforated Sheet
- Perforated Copper Sheet
- Mild Steel Perforated Metal
Perforated Metal Products
- Perforated Stainless Steel Sheets for Steam Strainers
- Perforated Stainless Steel Sleeves
- Dimple Perforated Sheet Steel Grating
- Stainless Steel Perforated Strainer Basket
- Perforated Stainless Steel Air Curtain Screen
- Perforated Screen Sheet in Stainless Steel
- Perforated Windproof Nets
- Perforated Vent Grille
- Polisher Screen
- Perforated Metal Grader Screen
- Perforated Stainless Steel Milling Screen
- Perforated Steel Angle Bead
- Perforated Plate Sieves
- Slotted Filter Sheet
- Perforated Metal Coils
- Perforated Sheets
- Perforated Panels
- Perforated Metal Screen
- Perforated Steel Tube
- Perforated Filters
- Perforated Grills
- Perforated Architecture Mesh
- Perforated Metal Security Screen
- Perforated Cable Tray
- Perforated Channel Cable Tray
- Checkered Tread Plate
Technical Terms:
- Perforated Metal Opening Patterns
- Applications of Perforated Sheet
- Materials Applied for Perforated Metal
- Benefits of Perforated Metal
- Calculation of Sheet Metal Weight
- Open Area Calculation
- Perforated Metal Definition
- Perforated Metal Features
- Terminology of Perforated Metal
Other Sheet Metals
Processing Machines

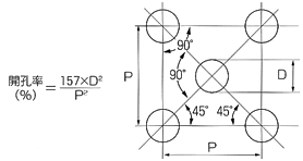
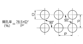
Open Area Calculation
Opening rate is calculated as follows:
![]() |
![]() |
![]() |
![]() |
![]() |
![]() |
![]() |
![]() |
![]() |
![]() |









